Warrick Series 47: DIP Switch Settings (Inverse Mode)
Troubleshooting Warrick Controls
The below instructions help describe how to set the DIP Switches on a Series 47 Intrinsically Safe relay in Inverse mode. This will help users ensure the relay is working properly and help explain the operation and wiring of the board.
The relay works off liquids natural conductive properties and is typically wired to conductivity probes. However, all Warrick conductivity relays also work with dry contact switches, like a LS-800 float level switch, or a Series M Mechanical Tilt Float switch, or any non-voltage storing device. The Series 47 is intrinsically safe, which means it limits the voltage and current traveling to the sensor to a level that is incapable of producing a spark that may ignite flammable gases. Jumpers may be placed between the sensor contacts to help test the board and simulate a switch closure or conductance between two probes.
Setting the DIP Switches
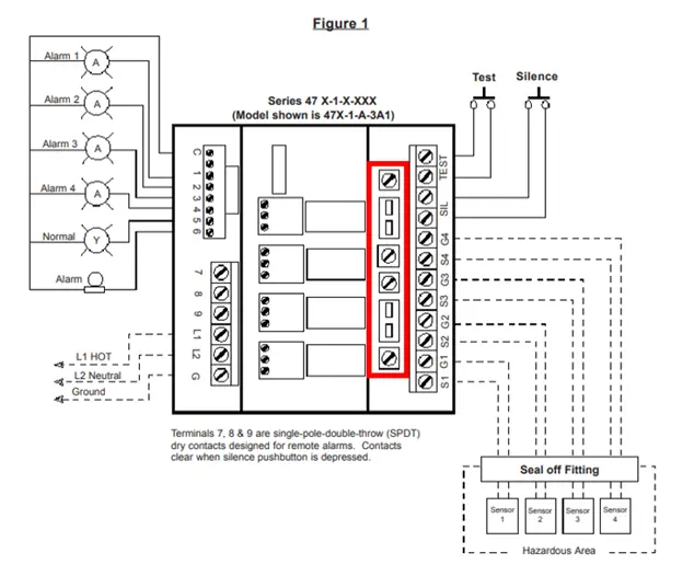
The Series 47 relay has DIP Switches that control the logic of the relay. They can be set in either Direct Mode or Inverse Mode, for each of the 4 channels. There are also four potentiometers, one per channel that can adjust the sensitivity from 0-50K ohms depending on the type of sensor used. The below shows where the DIP switches are located on the board, within the red box.
The below diagram shows a close up view of the DIP Switches and potentiometers.
Inverse Mode settings would typically be used for Low Level Alarms as the Normally Open load contact will close when the sensor is dry. Set the DIP switch in the Up position for Inverse. For liquid level sensing the sensor can be a conductivity probe or a float switch. Use a Normally Open Dry float switch so the logic matches the relays correctly. Normally Open Dry means the switch will be open when the float is dry (down) and will close as it rises with liquid.
When using a conductivity probe you can adjust the sensitivity of that channel by turning the potentiometer. When the potentiometer is turned all the way counterclockwise it will be the minimum sensitivity, 0K ohms. With the potentiometer turned all the way clockwise it will be at the maximum sensitivity, 50K ohms. Note when the DIP switch is set to Inverse mode, the sensitivity is automatically set at the maximum of 50 K ohms.
For further instructions, find all the documentation on Series 47 here >
