Warrick Series 17: Inverse Mode Bench Test
Troubleshooting Warrick Controls
The below instructions help describe how to bench test a Series 17 Intrinsically Safe relay in Inverse mode. This will help users ensure the relay is working properly and help explain the operation and wiring of the board.
The relay works off liquids natural conductive properties and is typically wired to conductivity probes. However, all Warrick conductivity relays also work with dry contact switches, like a LS-800 float level switch, because it is a non-voltage storing device. The Series 17 is intrinsically safe, which means it limits the voltage and current traveling to the sensor to a level that is incapable of producing a spark that may ignite flammable gases. Jumpers may be placed between the sensor contacts to help test the board and simulate a switch closure or conductance between two probes.
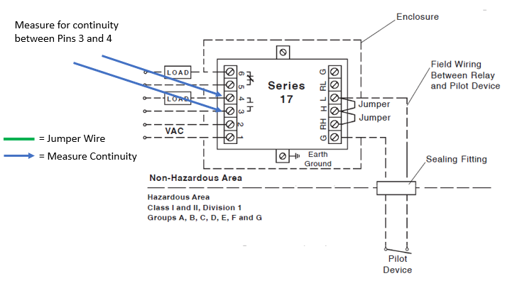
Single Level Service High Alarm
Below diagram explains how to test the board if using it as a high-level alarm. Typically, Direct mode is used for High-Level alarm, but Inverse will still work by using the Normally Closed contacts, instead of the Normally Open contacts.
Place a jumper between L (Low) and G (Reference) contacts. Leave the jumpers between L and H, and H and RH connected. This will simulate that the H and G probes are in the liquid and the relay will deenergize. The relay will be deenergized, and you should have no continuity on the Normally Open contacts, pins 3 and 4, and continuity on the Normally Closed contacts, pins 5 and 6.
Next step is to remove the jumper between L and G. This will simulate that all probes (H, L, and G) are not in the liquid. The relay will energize, and the Normally Open (NO) contact will close, thus you will have continuity between NO and Common (C), pins 3 and 4.
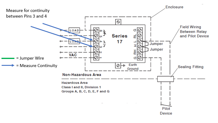
Single Level Service Low Alarm
The diagram below explains how to test the board if using it as a low-level alarm. Place a jumper between L (Low) and G (Reference) contacts. Leave the jumpers between L and H, and H and RH connected. This will simulate that the H and G probes are in the liquid and the relay will deenergize. Since this is a low-level alarm, you will be using the NO contact which will be open, signaling no low level. The normally closed contacts will be closed, pins 5 and 6.
Next step is to remove the jumper between L and G, which will simulate that all the probes are dry. The relay will be energized, and you should have continuity on the Normally Open contacts, pins 3 and 4, and no continuity on the Normally Closed contacts, pins 5 and 6.
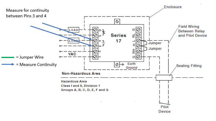
Differential Level Service (Pump or Valve Control)
Inverse mode is typically used for pump up (valve fill) operations. First step is to remove the jumpers between H and G, and between L and G. Leave the jumpers between L and RL, and H and RH connected. This will simulate that all probes are not in the liquid. The relay will be energized, and the Normally Open (NO) contact will close. You should have continuity between Common (C) and Normally Open (NO), pins
Next step is to place a jumper between L and G but leave all the other jumpers the same. This will simulate that the liquid level is rising and has covered the L (Low) probe, which is typical in a pump up (valve fill) situation. However, the relay should remain energized because it is latched, and still have continuity on the Normally Open contacts.
Last step is to add a jumper between H and G and all the other jumpers can remain. This will simulate that the liquid level has risen and covered all the probes. The relay should now be de-energized and the Normally Open (NO) will be open and the Normally Closed (NC) will be closed.
Additional Tests to Run
After the relay is bench tested, you can also perform these same tests at the probe fitting. This will ensure the wiring is correct and there are no shorts present. You may need a helper to confirm the relay is actuating.
Since jumping the relay out does not test the relays ability to conduct through a liquid, you can also perform these same tests using a bucket of water. When it calls for two contacts to be jumped out, for example H and G, then both H and G probes should be placed in the bucket of water. This will accomplish the same thing and test the relays ability to conduct through the liquid. You will have to use the proper resistors between H and RH and L and RL when performing these tests.
You may also choose to leave the probes installed and place the probe wire directly into the bucket of water. In this case the wire will act as the probe and the probe wire.
